Carlo Gavazzi EM24 Energiezähler
Unterstützte Geräte
| Device Type | Modbus TCP (Ethernet) | RS485 |
|---|---|---|
| Carlo Gavazzi EM24 | ✅ | ✅ |
Note
Die Verfügbarkeit von Ethernet und RS485 hängt von dem genauen Subtyp des verwendeten EM24 ab.

Verdrahtung
Der A-tronix Controller und das Gerät kommunizieren über RS485 oder Ethernet.
Ethernet
Für die korrekte Ethernet-Verdrahtung: Folgen Sie den Richtlinien zur Ethernet-Verdrahtung.
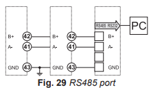
RS485
RS485 Wiring
- For correct RS485 wiring: Follow the guidelines for RS485 wiring.
- If the wiring shown in the table below is incorrect, please let us know.
- There is no general consensus in the industry about the usage of A and B for the RS485 polarity, so it may be counterintuitive and opposite of what you might expect for some devices.
| Device | A-tronix Controller model OM1 | A-tronix Controller model IG8 | RS485-USB converter | RS485-Ethernet converter |
|---|---|---|---|---|
| Terminal 41 / A- | RS485 A | RS485_POS | RS485 A | TX+ |
| Terminal 42 / B+ | RS485 B | RS485_NEG | RS485 B | TX- |
| Terminal 43 / GND | RS GND | GND | Not available | G |

Konfiguration
Überprüfen Sie, ob der Carlo Gavazzi Zähler so eingestellt ist, dass sowohl Einspeise- als auch Entnahmeleistung gelesen werden. Ein ungeeigneter Modus kann zu folgendem führen:
- Fehlende Ablesungen der Einspeisung oder
- Einspeisung, die als Entnahme gezählt wird (neben der ‘tatsächlichen Entnahme’)
Sie können dies im Konfigurationsmenü „MEASurE“ am Energiezähler einstellen. Dies sollte auf „b“ eingestellt sein.
Warning
Diese Einstellung ist möglicherweise nicht bei MID-zertifizierten Modellen (Modellnummern mit Endung PFA und PFB) vorhanden.

NOTE: RS485 Device Addresses
- You MUST give each device on the RS485 bus a unique address. Check the manual of the device on how to do this.
- Use lower addresses first (1, 2, ...) because the A-tronix Controller will find them faster!
- For each device, it is generally recommended to stick with the factory default baud rate, parity, and stop bits. The A-tronix Controller will scan on those first.
Stellen Sie die Modbus-Adresse über das Konfigurationsmenü „Adresse“ des Energiemessgeräts ein.
