GeräteEnergy meterCarlo Gavazzi
Carlo Gavazzi EM210 Energiemessgerät
Unterstützte Geräte
| Device Type | Modbus TCP (Ethernet) | RS485 |
|---|---|---|
| Carlo Gavazzi EM210 | ❌ | ✅ |

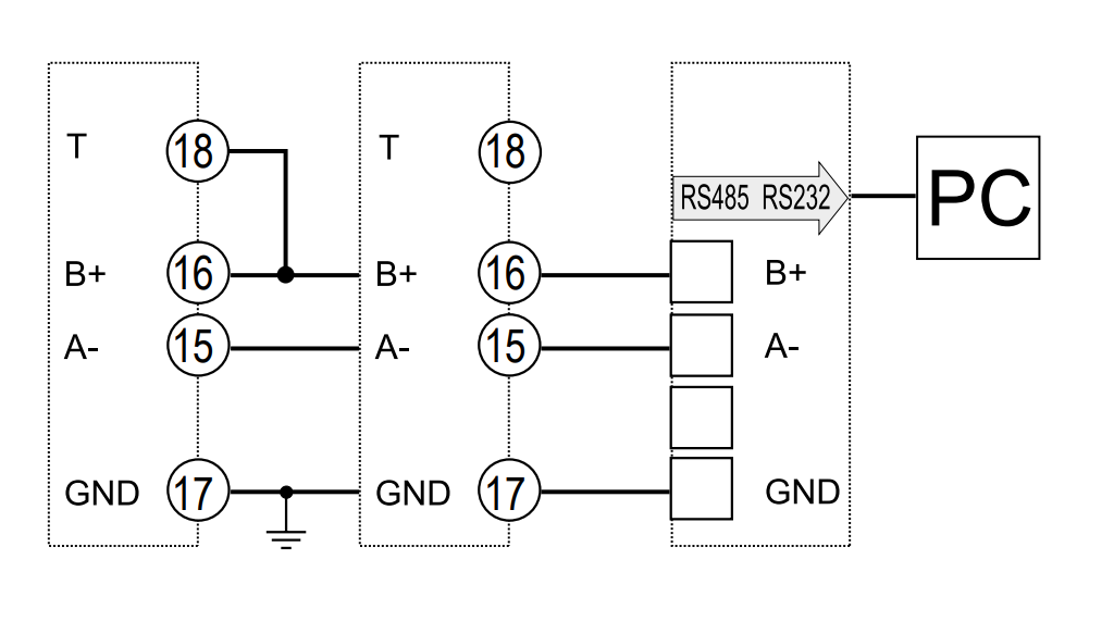
Verkabelung
Die A-tronix Controller und das Gerät kommunizieren über RS485.
RS485
RS485 Wiring
- For correct RS485 wiring: Follow the guidelines for RS485 wiring.
- If the wiring shown in the table below is incorrect, please let us know.
- There is no general consensus in the industry about the usage of A and B for the RS485 polarity, so it may be counterintuitive and opposite of what you might expect for some devices.
| Device | A-tronix Controller model OM1 | A-tronix Controller model IG8 | RS485-USB converter | RS485-Ethernet converter |
|---|---|---|---|---|
| Terminal 15 / A- | RS485 A | RS485_POS | RS485 A | TX+ |
| Terminal 16 / B+ | RS485 B | RS485_NEG | RS485 B | TX- |
| Terminal 17 / GND | RS GND | GND | Not available | G |

Konfiguration
NOTE: RS485 Device Addresses
- You MUST give each device on the RS485 bus a unique address. Check the manual of the device on how to do this.
- Use lower addresses first (1, 2, ...) because the A-tronix Controller will find them faster!
- For each device, it is generally recommended to stick with the factory default baud rate, parity, and stop bits. The A-tronix Controller will scan on those first.
